网站地图|中文|English
中文|English
  • 12、衣康酸蒸发系统-.jpg
  • 1.jpg

强制循环蒸发器

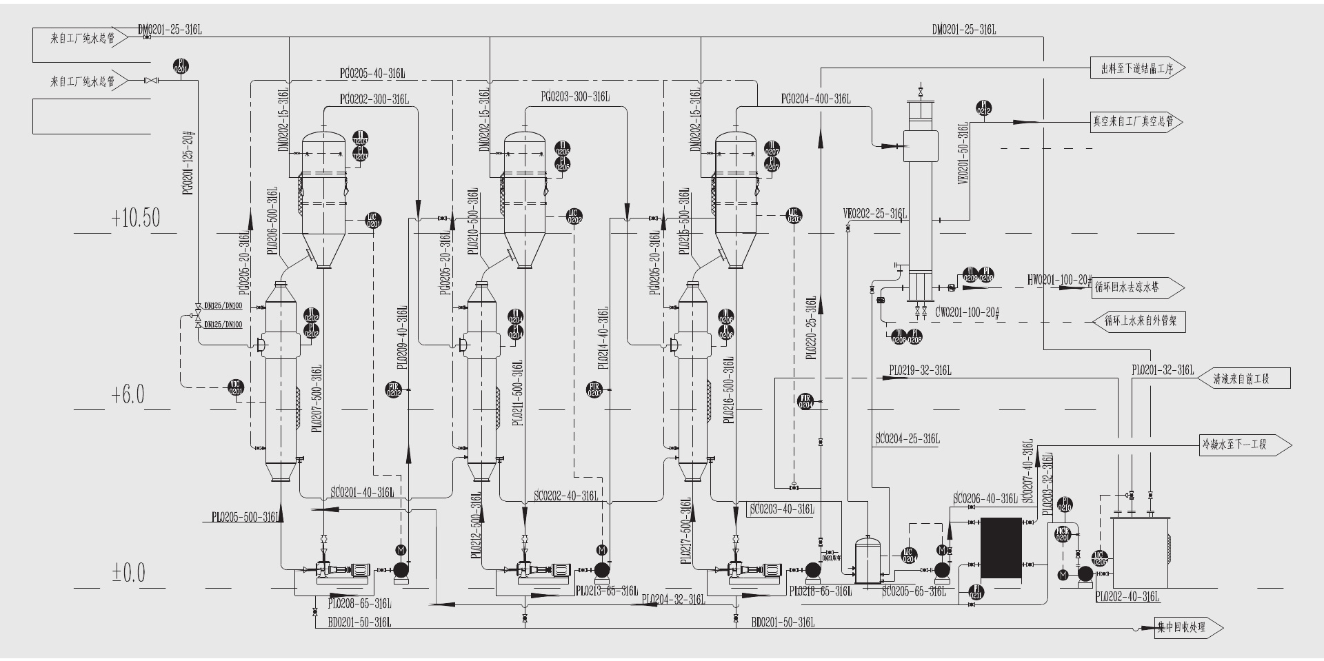
强循环蒸发器是依靠外加力循环泵使液体进行循环。它的加热室有卧式和立式两种结构,液体循速度大小由泵调节。强制循环蒸发器可分单效、双效、三效、四效及多效强制循环蒸发器。
  • 电 话:0550-7305788,0550-7033788
  • 邮 箱:ahjljx@jinlongzf.cn
  • 关注我们
产品描述

d.jpg产品范围

按效数可分为单效、双效、三效、四效、五效、六效强制循环蒸发器

d.jpg规格型号
1.jpg

d.jpg产品概述

强循环蒸发器是依靠外加力循环泵使液体进行循环。它的加热室有卧式和立式两种结构,液体循速度大小由泵调节。强制循环蒸发器可分单效、双效、三效、四效及多效强制循环蒸发器。 强制循环蒸发器真空浓缩设备是我公司开发研制的有效节能浓缩设备,该设备在真空低温条件下运作,具有料液流速快、蒸发快、不易结垢等特性。蒸发器根据分离室循环料液进出口的位置不同,它又可以分为正循环强制蒸发器及逆循环强制蒸发器,循环料液进口位置在出口位置上部的称为正循环,反之为逆循环。逆循环强制蒸发器具有更多优点。是依靠外加力循环泵使液体进行循环。它的加热室有卧式和立式两种结构, 液体循速度大小由泵调节。

应用领域
该蒸发器广泛应用在处理粘性、析出结晶、容易结垢或浓缩程度较高的溶液,尤其在真空条件下操作时,其适用性很突出。我公司生产的强制循环蒸发器在氯化钠、硫酸铵、硫酸镁、硫酸锌、硫酸钠、亚硫酸钠、葡萄糖酸钠、氯化钴、 古龙酸、硫化碱等物料的蒸发结晶操作中得到广泛应用。

d.jpg工作原理:

1、加热室:换热管是蒸发器重要的热负荷元件,直接决定了蒸发器的热效率和使用寿命。
(1)蒸汽采用多流道进入加热室,我公司自行设计的特殊装置,有效避免了高速蒸气流对加热管的冲击。
(2)蒸发管束在管板上的排列均匀分布,提高蒸汽的热效率。
(3)加热室内设置特殊化的装置,有效克服蒸发管的振动并延长蒸汽停留时间有利于传热。
(4)可排放加热室内不凝性气体。
2、蒸发分离结晶室:蒸发室为直立筒体,下部为锥形底以利晶浆排出。二次蒸汽由顶部排出,经除沫器除沫后进入汽液分离器进入冷凝器,蒸发室锥形底部与循环泵连接。
3、除沫器:主要作用是防止蒸发过程中形成之细微液滴,被二次蒸汽夹带逸出。对汽液进行分离,可减少料液的损失,同时防止污染管道及冷却水。
4、强制循环泵:是根据流体在换热管内流动状态、传热效率、以及阻力计算等要求,由我公司工艺人员提出的技术条件而加工的强制循环蒸发专用泵。

d.jpg性能特点

1、全套系统设计合理美观、运行稳定、有效节能,蒸汽耗量低;浓缩比大,强制循环式,使粘度较大的料液容易流动蒸发,浓缩时间短;
2、特殊设计经简单操作可实现切换改效,以适应不同产品的生产;
3、蒸发温度低,热量得到充分利用,料液受热温和,适用于热敏性物料的浓缩;
4、蒸发器通过强制循环,在管内受热均匀,传热系数高,可防止“堵管” 现象;
5、料液进入分离器再分离,强化了分离效果,使整体设备具有较大的操作弹性;
6、整套设备结构紧凑,占地面积小,布局简单流畅,代表了大型成套蒸发设备的发展方向;
7、连续进出料,料液液位与所需浓度可实现自控。

d.jpg流程示意图

99-1.jpg


浏览:
上一篇:
下一篇:降膜蒸发器
返回顶部